候補問題No.10

2026年 候補問題No.10の施工方法

 

材料・複線図・施工についての注意

電線の種類・色、器具間の寸法、準備物などは候補問題からホーザン(株)が独自に想定したものです。
実際の試験では出題内容に従って施工してください。当社は責任を負いかねますのでご了承願います。
複線図の電線接続箇所は全てリングスリーブの場合を想定して記載しています。

準備物

電線

  • KIP 8mm2 500mm
  • CVV 2mm2×3芯 1050mm
  • CVV 2mm2×2芯 700mm
  • IV 2mm2(緑)150mm

器具

  • ブロック端子2P(大)2個
  • ブロック端子3P(小)1個
  • ブロック端子4P(小)1個
  • アウトレットボックス 1個
  • ゴムブッシング(19)4個
  • リングスリーブ(小)5個

※ホーザンでは使用する電線長さは総長で記載しています。
実際の試験では2本に分けて支給されることがあります。
(例)VVF1.6mm×2芯 2000mm(1000mm×2本で支給)

施工条件

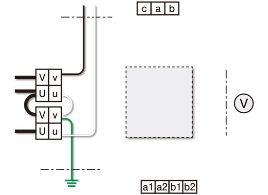
・端子台は内部結線図に従って使用すること
・VT代用の端子台の結線及び配置は次のように行うこと
・接地線はVT(T1)のv端子に結線する
・VT代用の端子台の二次側端子のわたり線はより線2㎜2(白)を使用する
・不足電圧継電器に至る配線はVT(T1)のu端子及びVT(T2)のV端子に結線する
・電圧計はT相とR相に接続すること
・電線の色別は次によること
・接地線は緑色を使用する
・VTの二次側の配線はR相:赤色、S相:白色、T相:黒色を使用する
・ジョイントボックスを経由する電線はすべて接続箇所を設け、リングスリーブによる接続とすること

内部結線図

  • ①単線図と同じレイアウトで器具を配置します。
  • ②一次側の複線図を描いていきます。
    施工条件・内部結線図をよく確認して指定通りに描きましょう。
  • ③VT端子二次側と不足電圧継電器を繋ぎます。
    施工条件・内部結線図をよく確認して指定通りに描きましょう。
  • ④施工条件に従って電線の色を指定します。
  • ⑤VT端子二次側からVCB開閉表示回路・電圧計に繋ぎます。
    VT端子台とVCB補助接点端子台の繋ぎ方は内部結線図をよく確認しましょう。
  • ⑥施工条件に従って電線の色を指定します。
  • ⑦ケーブルの種類を忘れずに記載します。
  • ⑧接続点に圧着マークを描き、複線図の完成です。
    実際に試験では、接続方法が指定されます。
    指示に従って、圧着接続箇所に記載します。
    ※より線2mm2は単線1.6mmと同等とみなして解説しています。

施工方法

【ノーカット版】

完成図