候補問題No.4

2026年 候補問題No.4の施工方法

 

材料・複線図・施工についての注意

電線の種類・色、器具間の寸法、準備物などは候補問題からホーザン(株)が独自に想定したものです。
実際の試験では出題内容に従って施工してください。当社は責任を負いかねますのでご了承願います。
複線図の電線接続箇所は全てリングスリーブの場合を想定して記載しています。

準備物

電線

  • KIP 8mm2 200mm
  • VVF 2.0mm×3芯(黒白緑)300mm
  • VVF 2.0mm×2芯 550mm
  • VVF 1.6mm×4芯 450mm
  • VVF 1.6mm×2芯 1050mm
  • IV 5.5mm2(緑)200mm
  • IV 2.0mm(緑)100mm

器具

  • ブロック端子3P(大)1個
  • ブロック端子3P(小)1個
  • ランプレセプタクル 1個
  • 引掛けシーリング 1個
  • 単極スイッチ(埋込型)1個
  • 接地極付コンセント(埋込型)1個
  • パイロットランプ白(埋込型)1個
  • 埋込連用取付枠 1個
  • アウトレットボックス 1個
  • ゴムブッシング(19)2個
  • ゴムブッシング(25)3個
  • リングスリーブ(小)3個
  • リングスリーブ(中)1個

※ホーザンでは使用する電線長さは総長で記載しています。
実際の試験では2本に分けて支給されることがあります。
(例)VVF1.6mm×2芯 2000mm(1000mm×2本で支給)

施工条件

・端子台は内部結線図に従って使用すること
・確認表示灯(パイロットランプ)は引掛けシーリング及びランプレセプタクルと同時点滅とすること
・電線の色別は次によること
・接地線は緑色を使用する
・ジョイントボックスを経由する電線はすべて接続箇所を設け、リングスリーブによる接続とすること

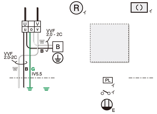
内部結線図

  • ①単線図と同じレイアウトで器具を配置し、
    一次側の複線図を描いていきます。
    施工条件・内部結線図をよく確認して指定通りに描きましょう。
  • ②二次側200V回路の電線を繋ぎます。
    施工条件・内部結線図をよく確認して指定通りに描きましょう。
  • ③二次側100V回路の電線を配線用遮断器まで繋ぎます。
    施工条件・内部結線図をよく確認して指定通りに描きましょう。
  • ④施工条件・内部結線図に従ってケーブルの種類・電線の色を指定します。
    接続点を忘れずに描きましょう。
  • ⑤配線用遮断器から繋がる二次側100V回路の複線図を描いていきます。
    接続点を忘れずに描きましょう。
  • ⑥施工条件に従って、コンセントの接地線は端子台の接地端子に繋ぎます。
  • ⑦電線の色を指定します。施工条件をよく確認しましょう。
  • ⑧ケーブルの種類を忘れずに記載します。
  • ⑨接続点に圧着マークを描き、複線図の完成です。
    実際に試験では、接続方法が指定されます。指示に従って、圧着接続箇所に記載します。

施工方法

【ノーカット版】

完成図