候補問題No.9

2026年 候補問題No.9の施工方法

 

材料・複線図・施工についての注意

電線の種類・色、器具間の寸法、準備物などは候補問題からホーザン(株)が独自に想定したものです。
実際の試験では出題内容に従って施工してください。当社は責任を負いかねますのでご了承願います。
複線図の電線接続箇所は全てリングスリーブの場合を想定して記載しています。

準備物

電線

  • KIP 8mm2 200mm
  • VVF 2.0mm×2芯 650mm
  • VVF 1.6mm×3芯 300mm
  • VVF 1.6mm×2芯 1800mm
  • IV 5.5mm2(緑)200mm

器具

  • ブロック端子3P(大)1個
  • ブロック端子3P(小)1個
  • ブロック端子4P(小)1個
  • コンセント(露出形) 1個
  • アウトレットボックス 1個
  • ゴムブッシング(19)1個
  • ゴムブッシング(25)3個
  • リングスリーブ(小)2個
  • リングスリーブ(中)2個
  • 差込型コネクタ(2本用)3個
  • 差込型コネクタ(3本用)1個

※ホーザンでは使用する電線長さは総長で記載しています。
実際の試験では2本に分けて支給されることがあります。
(例)VVF1.6mm×2芯 2000mm(1000mm×2本で支給)

施工条件

・端子台は内部結線図に従って使用すること
・タイムスイッチ代用の端子台は端子S2を接地側とする
・屋外灯回路の配線は内部結線図に従って行うこと
・タイムスイッチの電源用電線には2芯ケーブル1本を使用する
・電線の色別は次によること
・接地線は緑色を使用する
・ジョイントボックス及びVVF用ジョイントボックスを経由する電線はその部分ですべて接続箇所を設け、その接続方法は次によること
・ジョイントボックス部分はリングスリーブによる接続とする
・VVF用ジョイントボックス部分は差込型コネクタによる接続とする

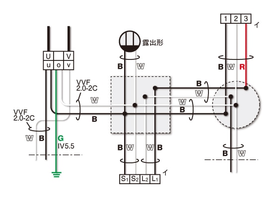
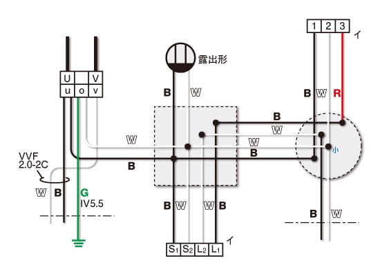
内部結線図

  • ①単線図と同じレイアウトで器具を配置します。
  • ②一次側の複線図を描いていきます。
    施工条件・内部結線図をよく確認して指定通りに描きましょう。
  • ③二次側200V回路を繋ぎます。
    施工条件・内部結線図をよく確認して指定通りに描きましょう。
  • ④施工条件に従って電線の色を指定します。
  • ⑤二次側100V回路を繋ぎます。
    施工条件・内部結線図をよく確認して指定通りに描きましょう。
  • ⑥施工条件に従って電線の色を指定します。
  • ⑦ケーブルの種類を忘れずに記載します。
    施工条件・内部結線図をよく確認して指定通りに描きましょう。
  • ⑧接続点に圧着マークを描き、複線図の完成です。
    実際に試験では、接続方法が指定されます。
    指示に従って、圧着接続箇所に記載します。

施工方法

【ノーカット版】

完成図