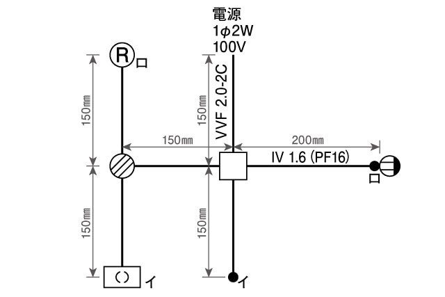
2026年 候補問題No.12 の施工方法
材料・複線図・施工についての注意
電線の種類、器具間の長さ、準備物などは実際に出題された過去問を参考にしていますが、実際の試験では異なる場合がございます。
その際は試験の出題内容に従って施工してください。
材料は第二種電気工事士 技能試験練習用部材セット(DK-51シリーズ)に対応しています。
当社は責任を負いかねますのでご了承願います。複線図の電線接続箇所は全てリングスリーブの場合を想定して記載しています。
単線図






