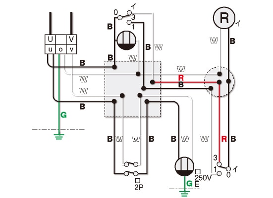
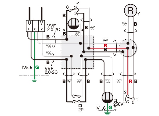
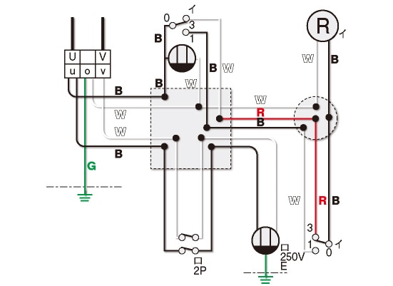
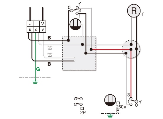
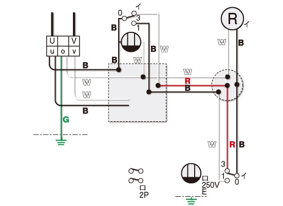
施工条件
・端子台は内部結線図に従って使用すること
・3路スイッチの配線方法は次によること
 ・「0」の端子には電源側または負荷側の電線を接続し、「1」と「3」の端子にはスイッチ相互間の電線を結線する
・電線の色別は次によること
 ・接地線は緑色を使用する
 ・200V回路の変圧器u相からコンセントに至る配線はすべて黒色を使用する
・ジョイントボックス及びVVF用ジョイントボックスを経由する電線はその部分ですべて接続箇所を設け、その接続方法は次によること
 ・ジョイントボックス部分はリングスリーブによる接続とする
 ・VVF用ジョイントボックス部分は差込型コネクタによる接続とする
・埋込連用取付枠は3路スイッチ(イ)及びコンセント部分に使用すること
内部結線図
