候補問題No.8

2026年 候補問題No.8の施工方法

 

材料・複線図・施工についての注意

電線の種類・色、器具間の寸法、準備物などは候補問題からホーザン(株)が独自に想定したものです。
実際の試験では出題内容に従って施工してください。当社は責任を負いかねますのでご了承願います。
複線図の電線接続箇所は全てリングスリーブの場合を想定して記載しています。

準備物

電線

  • KIP 8mm2 300mm
  • VVR 2.0mm×3芯 350mm
  • VVF 1.6mm×3芯 500mm
  • VVF 1.6mm×2芯 1050mm
  • CVV 2mm2×3芯 350mm
  • IV 5.5mm2(緑)100mm
  • IV 2mm2(黄)450mm

器具

  • ブロック端子3P(大)1個
  • ブロック端子6P(小)1個
  • 押しボタンスイッチ 1個
  • ランプレセプタクル 1個
  • アウトレットボックス 1個
  • ゴムブッシング(19)2個
  • ゴムブッシング(25)3個
  • リングスリーブ(小)6個

※ホーザンでは使用する電線長さは総長で記載しています。
実際の試験では2本に分けて支給されることがあります。
(例)VVF1.6mm×2芯 2000mm(1000mm×2本で支給)

施工条件

・端子台は内部結線図に従って使用すること
・制御回路の結線は内部結線図に従って行うこと
・電流計は変圧器二次側のv相に接続すること
・電線の色別は次によること
・接地線は緑色を使用する
・変圧器の二次側の配線はu相:赤色、v相:白色、w相:黒色を使用する
・電磁開閉器の端子相互間の配線に使用する電線は黄色を使用する
・電動機回路の電源に使用する電線及び押しボタンに使用する電線の色別は内部結線図によること
・ジョイントボックスを経由する電線はすべて接続箇所を設け、リングスリーブによる接続とすること
・押しボタンスイッチ内の既設配線は取り除いたり、変更したりしないこと

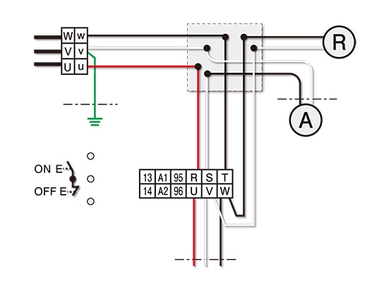
内部結線図

  • ①単線図と同じレイアウトで器具を配置します。
  • ②一次側の複線図を描いていきます。
    施工条件・内部結線図をよく確認して指定通りに描きましょう。
  • ③変圧器二次側200V回路を開閉器電源側・電流計に繋ぎます。
    施工条件・内部結線図をよく確認して指定通りに描きましょう。
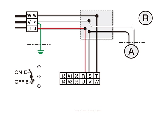
  • ④開閉器負荷側と電動機・運転表示灯を繋ぎます。
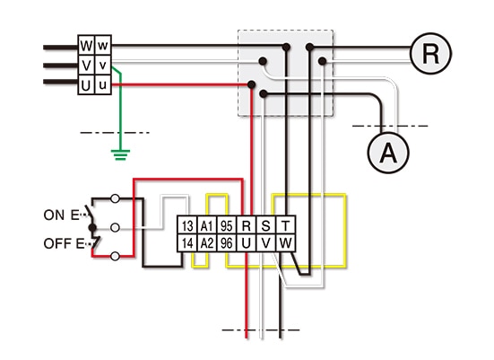
  • ⑤開閉器と押しボタンスイッチを繋ぎます。
    開閉器と押しボタンスイッチのつなぎ方は内部結線図をよく確認しましょう。
  • ⑥施工条件に従って電線の色を指定します。
  • ⑦ケーブルの種類を忘れずに記載します。
  • ⑧接続点に圧着マークを描き、複線図の完成です。
    実際に試験では、接続方法が指定されます。
    指示に従って、圧着接続箇所に記載します。

施工方法

【ノーカット版】

完成図