2026年 候補問題No.6 の施工方法
材料・複線図・施工についての注意
【重要】練習前にご確認ください
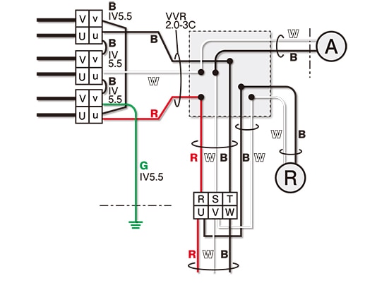
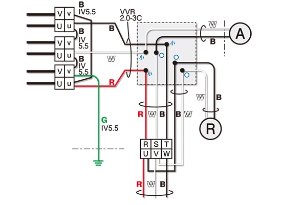
近年の試験では、候補問題No.6において電線管を使用した問題が出題されています。
最近の傾向に合わせた「管あり」の施工方法を先に確認し、どちらのパターンで練習するか検討することをお勧めします。
近年の試験では、候補問題No.6において電線管を使用した問題が出題されています。
最近の傾向に合わせた「管あり」の施工方法を先に確認し、どちらのパターンで練習するか検討することをお勧めします。
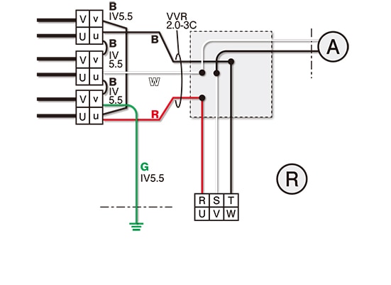
電線の種類・色、器具間の寸法、準備物などは候補問題からホーザン(株)が独自に想定したものです。
実際の試験では出題内容に従って施工してください。当社は責任を負いかねますのでご了承願います。
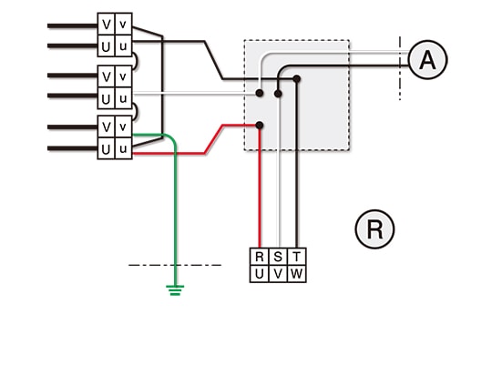
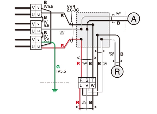
複線図の電線接続箇所は全てリングスリーブの場合を想定して記載しています。
単線図









