候補問題No.7

2026年 候補問題No.7の施工方法

 

材料・複線図・施工についての注意

電線の種類・色、器具間の寸法、準備物などは候補問題からホーザン(株)が独自に想定したものです。
実際の試験では出題内容に従って施工してください。当社は責任を負いかねますのでご了承願います。
複線図の電線接続箇所は全てリングスリーブの場合を想定して記載しています。

準備物

電線

  • KIP 8mm2 750mm
  • VVF 2.0mm×3芯 300mm
  • CVV 2mm2×3芯 650mm
  • CVV 2mm2×2芯 850mm
  • IV 5.5mm2(緑)250mm
  • IV 2mm2(緑)200mm

器具

  • ブロック端子2P(大)2個
  • ブロック端子3P(大)1個
  • ブロック端子4P(小)1個
  • アウトレットボックス 1個
  • ゴムブッシング(19)3個
  • ゴムブッシング(25)1個
  • リングスリーブ(小)4個

※ホーザンでは使用する電線長さは総長で記載しています。
実際の試験では2本に分けて支給されることがあります。
(例)VVF1.6mm×2芯 2000mm(1000mm×2本で支給)

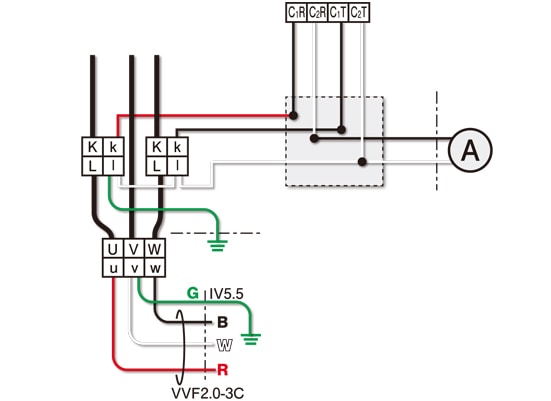
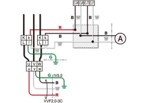
施工条件

・端子台は内部結線図に従って使用すること
・CTの結線は次のように行うこと
・CTのK側を高圧の電源側として使用する
・CTの接地線はCTの二次側 l 端子に結線する
・CTの1端子に接続できる電線本数は2本以下とする
・CTの二次側のわたり線は太さ2mm2(白)とする
・CTのk端子から過電流継電器に至るR相の配線はC1R端子、T相の配線はC1T端子に結線する
・電流計はR相に接続すること
・変圧器の接地線はv端子に結線すること
・電線の色別は次によること
・接地線は緑色を使用する
・CTの二次側からジョイントボックスに至る配線はR相:赤色、T相:黒色を使用する
・変圧器の二次側の配線はu相:赤色、v相:白色、w相:黒色を使用する
・ジョイントボックスを経由する電線はすべて接続箇所を設け、リングスリーブによる接続とすること

内部結線図

  • ①単線図と同じレイアウトで器具を配置します。
  • ②変圧器・CT端子台の一次側の複線図を描いていきます。
    施工条件・内部結線図をよく確認して指定通りに描きましょう。
  • ③変圧器二次側200V回路を繋ぎます。
    施工条件・内部結線図をよく確認して指定通りに描きましょう。
  • ④施工条件・内部結線図に従ってケーブルの種類・電線の色を指定します。
  • ⑤CT端子台と過電流継電器を繋ぎます。
    施工条件・内部結線図をよく確認して指定通りに描きましょう
  • ⑥施工条件に従って電線の色を指定します。
  • ⑦ケーブルの種類を忘れずに記載します。
  • ⑧接続点に圧着マークを描き、複線図の完成です。
    実際に試験では、接続方法が指定されます。
    指示に従って、圧着接続箇所に記載します。
    ※より線2mm2は単線1.6mmと同等とみなして解説しています。

施工方法

【ノーカット版】

完成図