候補問題No.5

2026年 候補問題No.5の施工方法

材料・複線図・施工についての注意

電線の種類、器具間の長さ、準備物などは実際に出題された過去問を参考にしていますが、
実際の試験では異なる場合がございます。その際は試験の出題内容に従って施工してください。
材料は第二種電気工事士 技能試験練習用部材セット(DK-51シリーズ)に対応しています。
当社は責任を負いかねますのでご了承願います。 複線図の電線接続箇所は全てリングスリーブの場合を想定して記載しています。

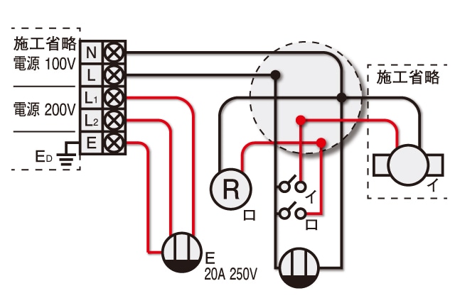
準備物

電線

  • VVF 1.6mm×2芯 1650mm
  • VVF 2.0mm×2芯 350mm
  • VVF 2.0mm×3芯(赤・黒・緑) 350mm

器具

  • ランプレセプタクル 1個
  • 埋込連用取付枠 1枚
  • 単極スイッチ(埋込形) 2個
  • コンセント(埋込形) 1個
  • ブロック端子 6P 1個
  • 接地極付コンセント 20A 250V 1個
  • リングスリーブ 小 3個
  • 差込形コネクタ(4本用) 1個
  • -候補問題No.5のポイント-

    単相100V回路と単相200V回路が登場します。
    単相100V回路は以下の接続の決まりに従って描きます。
    単相200V回路の電源端子には黒線と赤線を用います。
    極性がないため、どちら側に接続しても構いません。
  • 1.接地側はコンセントと負荷(電灯など)につなぐ → 白線

    配線用遮断器の施工省略されている側は電源へとつながっています。
    N端子は100V回路の接地側、L端子は100V回路の非接地側に繋がります。
  • 2.非接地側はコンセントとスイッチにつなぐ   → 黒線

  • 3.スイッチから対応する負荷(電灯など)につなぐ → 色の指定なし

    単相200Vの電源端子には極性がないため、白線以外の黒線もしくは赤線を用います。
    また、接地端子には必ず緑線を用います。
  • 電線の色を選びます。
    電源と直接つながらない線には色の指定がないため、残った色から選択してください。
    アース線には緑線を用います。
    ()内の組み合わせでも正解です。
  • ケーブルの種類を忘れずに記載します。
  • 接続点に圧着マークを描き、複線図完成です。
    実際に試験では接続方法が指定されます。
    指示に従って圧着接続箇所に記載します。

施工方法の解説動画

【フル解説版】

完成図