| 総合倍率 | 7~45X |
|---|---|
| 対物レンズ | 0.7~4.5X(ズーム比 6.4) |
| 接眼レンズ | WF10X(L-546-10) |
| 視野 | 28.5~4.4mmφ |
| 視度調整 | 左右独立式、±5Dptr |
| 作動距離 | 84mm(レンズフィルター / リング装着時) |
| ピント調整 | 鏡筒上下式(可動範囲50mm) |
| 鏡筒形式 | 双眼45°傾斜鏡筒 |
| 眼幅調整範囲 | 54~75mm、左右連動式 |
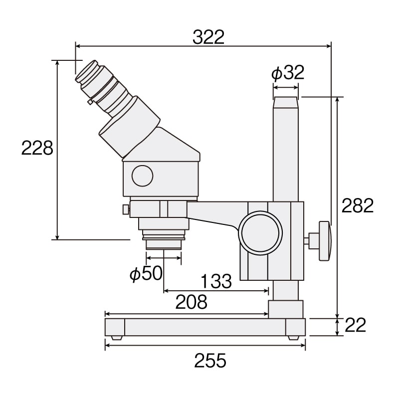
| ベース寸法 | 200(W)×255(D)mm |
| 支柱の高さ | 282mm |
| レンズ中心から支柱まで | 133mm |
| 重量 | 3.9kg |
実体顕微鏡 システムダイアグラム
倍率表
| 対物レンズ | 0.7~4.5X | ||||||||
|---|---|---|---|---|---|---|---|---|---|
| コンバーションレンズ | なし | L-58-0.5 | L-58-2.0 | ||||||
| 接眼 レンズ |
倍率 X |
視野 mmφ |
作動距離 mm |
倍率 X |
視野 mmφ |
作動距離 mm |
倍率 X |
視野 mmφ |
作動距離 mm |
| L-546-10(WF10X) | 7~45 | 28.5~4.4 | 84 | 3.5~22.5 | 57.1~8.9 | 150 | 14~90 | 14.3~2.2 | 33 |
| L-546-20(WF20X) | 14~90 | 14.3~2.2 | 84 | 7~45 | 28.5~4.4 | 28~180 | 7.1~1.1 | ||
| L-546-30(WF30X) | 21~135 | 11.4~1.76 | 84 | 10.5~67.5 | 22.84~3.56 | 42~270 | 5.72~0.88 | ||


























